smokymtn65
Well-Known Member
Where did you install the Hayden temp sensor?
Follow along with the video below to see how to install our site as a web app on your home screen.
Note: This feature may not be available in some browsers.
Perfect use for that pipe plugged unused port, that when used as the Driver Side head, is for the temperature gauge sender.Logical place for the temp prob would be the p/s head as it's in the rear of the head/motor..


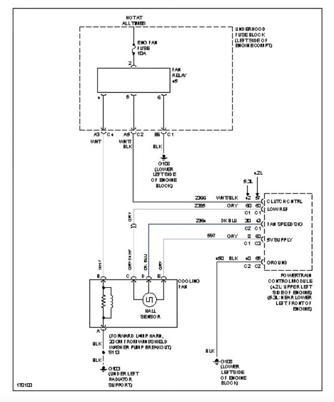
The EVC clutch still uses a thermal coil. Instead of the airflow across the radiator heating the coil, the ECM controls it by applying power to heat the coil. More voltage = a hotter coil which gives more clutch engagement, and less current equals less engagement. This is why there can be up to a minute delay between the ECM calling for the fan, and it actually engaging(this is rare as it normally takes less than 30 seconds, but there is a delay).In case anyone was curious as to how these work or the wiring.
Here is a wiring diagram. In the OEM design they were controlled by the ECM and a solid state relay to pulse the 12 volts on and off to control the fan speed.
View attachment 59728
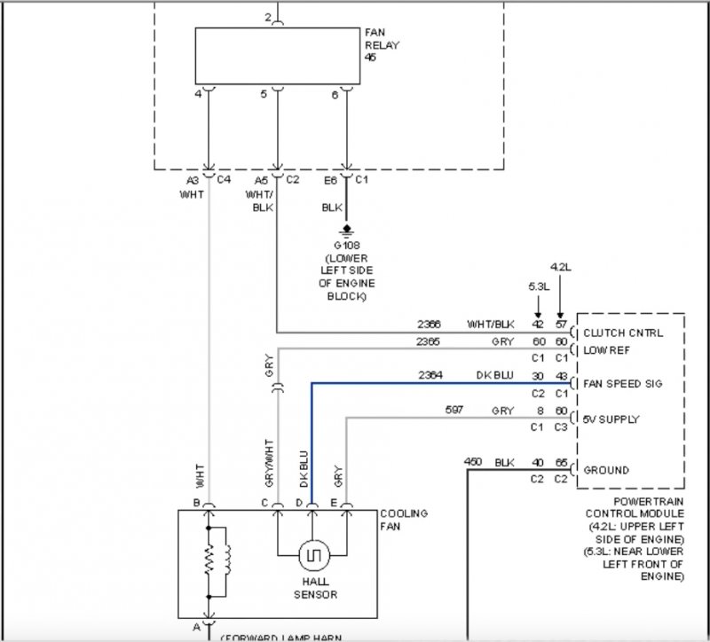
Zoomed in a little
View attachment 59730
Here is a Youtube video explaining how the clutch works. This video is for the type that is controlled by the thermo coil on the front. In the electric type the valve for the viscous fluid is opened by the 12 volt signal.
The EVC clutch still uses a thermal coil. Instead of the airflow across the radiator heating the coil, the ECM controls it by applying power to heat the coil. More voltage = a hotter coil which gives more clutch engagement, and less current equals less engagement. This is why there can be up to a minute delay between the ECM calling for the fan, and it actually engaging(this is rare as it normally takes less than 30 seconds, but there is a delay).
Have you considered steaming being the issue when sensor is moved to that rear block-off plate?There's 2 things I'm going to eventually change. First I want an LED on the dash to show when it's commanded to be engaged so I can fine tune it easier. Second I am seriously considering moving the temp probe to the crossover block off plate, I've had to replace it once already. I think the exhaust heat is cooking the sender. The bakelite center was actually loose in the brass and not just a little it was quite a bit